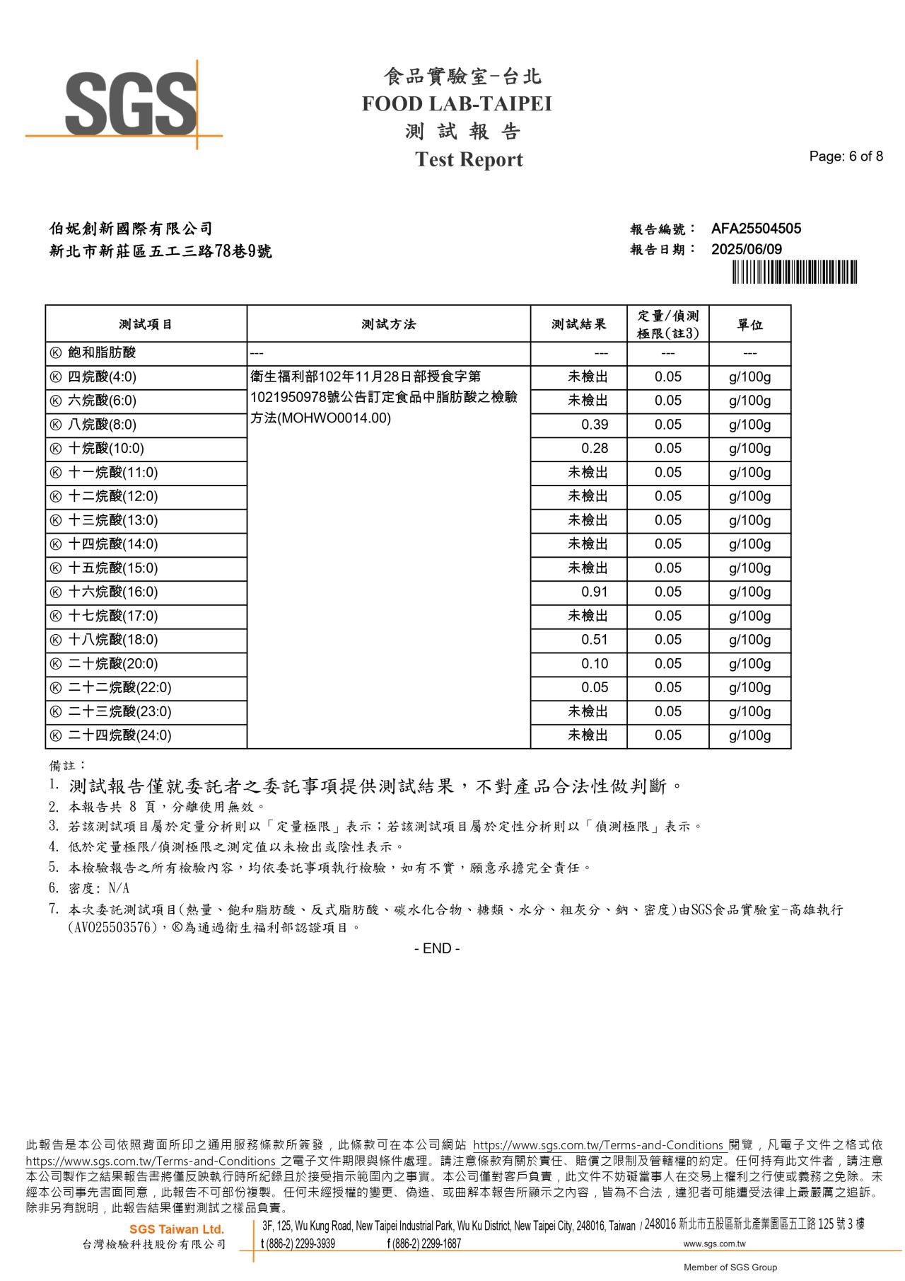
公司希望在合法、安全、衛生之正規管道運作, 特委託台北醫學大學進行人體臨床試驗, 同時取得食品研究所及SGS食品安全檢驗標準合格, 並通過國家衛生福利部「病人用特殊疾病配方管灌營養品」之認證, 充分滿足銀髮族的營養需求及保健, 期望為全國銀髮族創造更加優質的老年生活。
Close
首頁
最新消息
公司簡介
+
經營理念
商品資訊
+
特殊均衡營養配方
特殊專業營養配方
特殊副食營養配方
特殊單方補充品
其他
購物須知
+
運送說明
售後服務
交通位置
聯絡我們
0 項
$0
首頁
最新消息
公司簡介
經營理念
商品資訊
特殊均衡營養配方
特殊專業營養配方
特殊副食營養配方
特殊單方補充品
其他
購物須知
運送說明
售後服務
交通位置
聯絡我們
0 項
$0
注意:這訂單將以TWD付款
金愛力安均衡配方營養品(口飲/管灌適用)<2968g機構專用>
分享到
商品特色
撥打電話
為提供您最佳個人化且即時的服務,本網站透過使用"Cookies"記錄與存取您的瀏覽使用訊息。當您使用本網站,即表示您同意Cookies技術支援。
Cookie Policy
接受並關閉